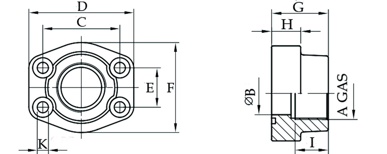
| Normal Flange Size | Type | Measurement | Accessories | kg | kg/cm2 | ||||||||||
|---|---|---|---|---|---|---|---|---|---|---|---|---|---|---|---|
| A | B | C | D | E | F | G | H | I | J | Bolt | O Ring | ||||
| inch | 3000PSI SAE pipe threaded flange - BSPP - O ring | ||||||||||||||
| 1/2" | 8TGLW3-O | G1/2" | 13 | 38.10 | 54 | 17.5 | 46 | 36 | 16 | 19 | 9 | M8x30 | 18.66x3.53 | 0.25 | 345 |
| 3/4" | 12TGLW3-O | G3/4" | 19 | 47.63 | 65 | 22.26 | 50 | 36 | 18 | 19 | 11 | M10x35 | 25.00x3.53 | 0.39 | 345 |
| 1" | 16TGLW3-O | G1" | 25 | 52.37 | 70 | 26.16 | 55 | 38 | 18 | 19 | 11 | M10x35 | 32.92x3.53 | 0.46 | 345 |
| 1-1/4" | 20TGLW3-O | G1-1/4" | 32 | 58.72 | 79 | 30.18 | 68 | 41 | 21 | 22 | 11.5 | M10x40 | 37.70x3.53 | 0.66 | 276 |
| 1-1/2" | 24TGLW3-O | G1-1/2" | 38 | 69.85 | 93 | 35.72 | 78 | 45 | 25 | 24 | 13.5 | M12x45 | 47.22x3.53 | 1.05 | 207 |
| 2" | 32TGLW3-O | G 2" | 51 | 77.77 | 102 | 42.88 | 90 | 45 | 25 | 26 | 13.5 | M12x45 | 56.75x3.53 | 1.19 | 207 |
| 2-1/2" | 40TGLW3-O | G2-1/2" | 63 | 88.90 | 114 | 50.80 | 105 | 50 | 25 | 30 | 13.5 | M12x45 | 69.45x3.53 | 1.40 | 172 |
| 3" | 48TGLW3-O | G 3" | 73 | 106.38 | 134 | 61.92 | 124 | 50 | 27 | 34 | 17 | M16x50 | 85.32x3.53 | 2.15 | 138 |
| 6000PSI SAE pipe threaded flange - BSPP - O ring | |||||||||||||||
| 1/2" | 8TGLW6-O | G1/2" | 13 | 40.49 | 54 | 18.24 | 46 | 36 | 16 | 19 | 9 | M8x30 | 18.66x3.53 | 0.26 | 414 |
| 3/4" | 12TGLW6-O | G3/4" | 19 | 50.80 | 71 | 23.80 | 55 | 36 | 21 | 22 | 11 | M10x35 | 25.00x3.53 | 0.50 | 414 |
| 1" | 16TGLW6-O | G 1" | 25 | 57.15 | 81 | 27.78 | 65 | 42 | 25 | 22 | 13 | M12x45 | 32.92x3.53 | 0.76 | 414 |
| 1-1/4" | 20TGLW6-O | G1-1/4" | 32 | 66.68 | 95 | 31.76 | 78 | 45 | 27 | 25 | 15 | M14x50 | 37.70x3.53 | 1.20 | 414 |
| 1-1/2" | 24TGLW6-O | G1-1/2" | 38 | 79.38 | 112 | 36.52 | 94 | 50 | 30 | 28 | 17 | M16x55 | 47.22x3.53 | 1.65 | 414 |
| 2" | 32TGLW6-O | G 2" | 51 | 96.82 | 134 | 44.46 | 114 | 65 | 37 | 32 | 21 | M20x70 | 56.75x3.53 | 2.45 | 414 |
Copyright © 2022 Al Masria-for-Hydromecha